搜索
网站首页
关于我们
关于我们
公司简介
资质荣誉
产品中心
产品中心
BP1-3系列频敏变阻器
BP2系列频敏变阻器
BP4系列频敏变阻器
BP6 频敏变阻器
BP8Y频敏变阻器
瓷管线绕电阻
RT型电阻器
ZX1型电阻器
ZX2型电阻器
ZX9型电阻器
ZX12型电阻器
ZX15型电阻器
ZX28不锈钢电阻器
BZR-15/22-X 电阻器
ZG11、RX20型电阻器
BP-500A稳定变阻器
BP-1000A稳定变阻器
频敏启动柜245KW
QZB系列自耦变压器
自耦变压器系列
BC1型瓷盘变压器
进线电抗器
新闻资讯
新闻资讯
公司新闻
行业动态
产品应用
联系我们
"navigation"
网站首页
关于我们
公司简介
资质荣誉
产品中心
BP1-3系列频敏变阻器
BP2系列频敏变阻器
BP4系列频敏变阻器
BP6 频敏变阻器
BP8Y频敏变阻器
瓷管线绕电阻
RT型电阻器
ZX1型电阻器
ZX2型电阻器
ZX9型电阻器
ZX12型电阻器
ZX15型电阻器
ZX28不锈钢电阻器
BZR-15/22-X 电阻器
ZG11、RX20型电阻器
BP-500A稳定变阻器
BP-1000A稳定变阻器
频敏启动柜245KW
QZB系列自耦变压器
自耦变压器系列
BC1型瓷盘变压器
进线电抗器
新闻资讯
公司新闻
行业动态
产品应用
联系我们
当前位置:
首页
>
产品中心
>
ZX9型电阻器
>
ZX9型电阻器
PRODUCT CENTER
产品中心
产品中心
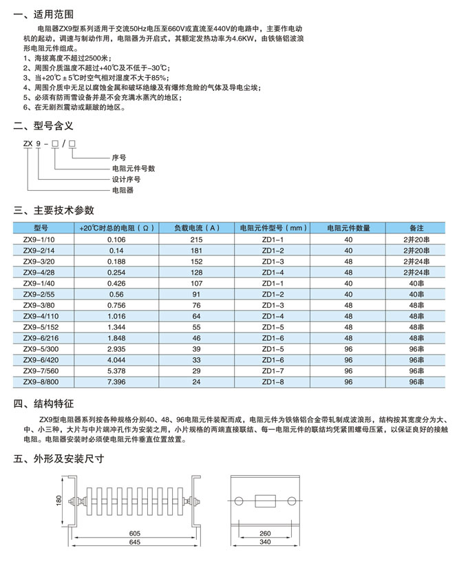
ZX9型电阻器
如果您有任何问题可以联系我们!
联系我们
电话:
13506671539
15968759000
扫一扫,加我为朋友
详细信息
返回
上一个:没有了
下一个:没有了
返回>>
相关产品
ZX9型电阻器
电话:
13506671539
15968759000
© 乐清市申铂电器有限公司
浙ICP备20250621号-1
XML
网站地图
网站制作维护:
传信网络
友情链接:
频敏变阻器厂家
频敏变阻器工作原理
频敏变阻器作用
频敏变阻器启动原理
频敏变阻器结构
频敏变阻器特点
频敏变阻器接线
微信
咨询
扫一扫,加我为朋友
服务
热线
13506671539
15968759000
服务热线